PN: JSD6630
F2.6
HFOV 125° 110°
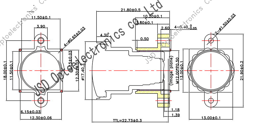
TTL 22.73mm
Thread M12
Distortion <-17% <-13.6%
Image Sensor 1/2.55" 1/2.8"
Description
The JSD6630 is a high-performance ultra-wide-angle fixed-focus lens with an optical total length (TTL) of 22.73 mm, compatible with both 1/2.55-inch and 1/2.8-inch image sensors. It features a large F2.6 aperture, delivering excellent low-light imaging capability to ensure bright and clear image capture even in dim environments. The lens offers two horizontal field of view (HFOV) options: 125° and 110°, enabling coverage of expansive scenes. However, as commonly seen in ultra-wide-angle designs, it exhibits noticeable distortion (Distortion < -17% / < -13.6%), which can be effectively corrected via software algorithms.
Application
Security & Surveillance: Used for panoramic monitoring, and scenarios requiring large-area coverage such as elevators and lobbies
Smart Home & IoT Devices: e.g., wide-angle smart doorbells, household panoramic cameras, and visual modules for various smart hardware
Industrial Inspection & Machine Vision: Suitable for inspection scenarios demanding a wide field of view
Automotive Imaging Systems: Served as dash cams or blind spot monitoring probes
Mobile Devices & Drones: Integrated into space-constrained consumer electronics or aerial photography equipment requiring wide-angle capabilities
Specification
Model | JSD6630 |
Image sensor | 1/2.55" 1/2.8" |
Image Circle | 7.2mm |
Resolution | 12MP |
Focal Length | 2.76mm |
Aperture | F2.6 |
Distortion | <-17% <-13.6% |
FOV | DFOV 165° HFOV 125° VFOV 92° |
